Le bus USB.
Sommaire
|
1 |
Présentation de l’USB. |
2 |
|
2 |
L’alimentation des périphériques. |
3 |
|
3 |
Les caractéristiques électriques. |
5 |
|
4 |
Les circuits électroniques du bus USB. |
6 |
|
5 |
Les connecteurs. |
7 |
|
6 |
La topologie du bus USB. |
8 |
|
7 |
Architecture d’un HUB. |
9 |
|
8 |
Support de l’USB. |
11 |
|
9 |
Compatibilité USB 1 et USB2. |
12 |
|
10 |
Etat des périphériques. |
13 |
|
11 |
Reconnaissance des périphériques. |
14 |
1 Présentation de l’USB.
L’USB est un nouveau type de connectivité sur les machines informatiques.
Il apporte :
- une simplicité de connection pour l’utilisateur,
- une connectivité « à chaud »,
- une diminution des cordons autour du poste informatique.
Par comparaison avec les autres connections,
- Port série jusqu’à 115 Kbits/s
- Port // standard jusqu’à 115 KBytes/s
- Port // ECP/EPP jusqu’à 1,5 MBytes/s
- IDE de 3,3 à 16,7 Mbytes/s
- IEE-1394 de 12,5 à 50 Mbytes/s
sa vitesse est de :
- version Low-Speed 1 à 100 Kbits/s
- version Medium-Speed 0,5 à 10 Mbits/s
- version High Speed 25 à 500 Mbits/s
Ses applications se veulent nombreuses.

Le bus IEE-1394 est destiné aux applications ou la vitesse est prépondérante par rapport au prix.
Le bus USB est destiné aux applications où le prix est l’élément essentiel.
2 L’alimentation des périphériques.
Les périphériques se classent pour le technicien en trois catégories vis a vis de l’alimentation.
Les périphériques faible consommation.

Il tirent leur source d’énergie pour fonctionner du bus USB lui-même. Il ne doivent pas consommer plus de 100mA. Ce sont les claviers, souris, joysticks, etc…..
Leur faible consommation permet de les raccorder sans précautions particulières.
Les périphériques forte consommation.

Eux aussi tirent leur source d’énergie pour fonctionner du bus USB lui-même.
Il consomment plus de 100 mA (sauf durant la phase de connexion).
Ce sont des périphériques du type caméras, HUB auto-alimentés, etc….
Gros consommateurs d’énergie ils ne doivent être raccordés qu’à des HUB auto-alimentés.
Les HUB tirant leur alimentation du bus, (self-powered) ne peuvent pas leur fournir une alimentation correcte.
Les périphériques auto-alimentés.

Ces périphériques auto-alimentés gros consommateurs d’énergie possèdent leur propre source d’alimentation.
S’il ont une fonction HUB ils pourront donc être fournisseur d’énergie pour d’autre périphériques sur le bus (et alimentés par le bus).
Leur alimentation interne les fait apparaître pour le bus USB comme des périphériques faible consommation.
ATTENTION : Le bus USB n’est pas conçu pour raccorder deux calculateurs entre eux ! La tension d’alimentation présente sur les connecteurs, serait à l’origine d’un gros court-circuit, si deux « hôtes » était reliés entre eux !!!!!!!!!
3 Les caractéristiques électriques.
Le câble utilisé pour un bus USB possède 4 conducteurs et un blindage.

Un conducteur de masse (GND), un conducteur d’alimentation (VBUS), et deux conducteurs de données (D+ et D-) torsadés entre eux.
Un blindage améliore l’immunité radio-électrique.
Les deux conducteurs de données fonctionnent en différentiel, c’est a dire que c’est la différence de tension entre les deux conducteurs qui fourni l’information binaire.

L’information électrique/binaire provient d’une extrémité ou de l’autre, (elle est donc bi-directionnelle), mais l’une des deux extrémités est considéré dans la topologie comme « haute » tandis que l’autre extrémité est considérée comme « basse ».
4 Les circuits électroniques du bus USB.
Le circuit de sortie d’un périphérique USB est de ce type.

Une résistance de tirage sur l’une des lignes deux lignes de données permet au système d’identifier les périphériques haute et basse vitesse.

Le câble du bus USB basse vitesse n’a pas de spécification précise de son impédance.
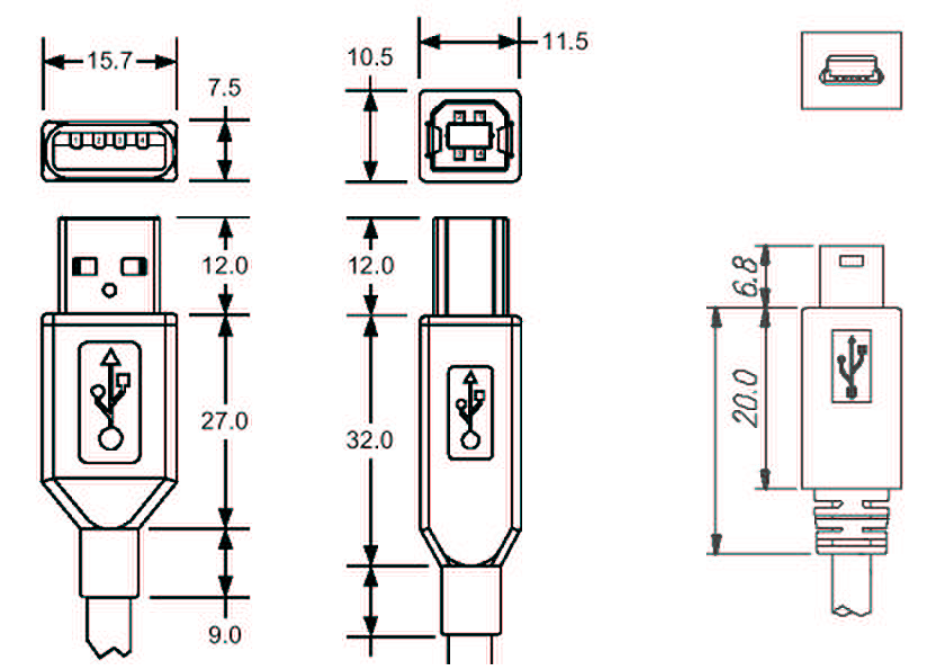
5 Les connecteurs
Il existe trois types de connecteurs pour le bus USB :
- les connecteurs de type « A »,
- les connecteurs de type « B »,
- les connecteurs de type « mini B »
Type « A » Type « B » Type « mini-B »

En voici des photos.

Les connecteurs de type « A » sont « upstream » et seront sur les « hôtes » (ordinateur ou HUB).
Les connecteurs de type « B » et « mini-B » sont « downstream » et seront sur les périphériques.
6 La topologie du bus USB.
Une architecture typique est représentée ci-dessous.

La « racine » du réseau USB est « l’hôte ».
Les périphériques USB peuvent posséder la fonction HUB, c’est le cas sur l’image de gauche pour l’écran et le clavier.
La représentation hiérarchique du bus USB est celle-ci.

7 Architecture d’un HUB.
Un HUB possède une connexion flux montant (upstream) destinée au raccordement vers l’hôte ou le HUB de niveau supérieur dans l’arborescence, il est de type « A ».
Il possède plusieurs connexions flux descendant (downstream) destinées aux raccordement des périphériques et/ou des HUB de niveau inférieur, il est de type « B ou mini-B ».

Représentation schématique.

Représentation physique.
Les cordons auront donc une extrémité de type « A » et l’autre de type « B ou mini-B ».
La longueur maximale des câbles USB est de 5m, ceci pour des questions de propagation électrique.
La distance maximum théorique est de 30m, mais il semble souhaitable d’après les recommandations du consortium USB de ne pas dépasser 27m avec les périphériques « low speed » ceci en traversant des HUB.
Un câble direct (sans raccord par HUB) de 25m est la longueur maximum conseillé par le consortium (toujours en basse vitesse).
Attention le bus USB n’est pas destiné a remplacer une liaison série ou une connexion réseau local.
Néanmoins il est possible de connecter 2 PC entre eux avec un « pont USB » (USB Bridge).
La connexion directe avec un câble « artisanal » expose l’apprenti-sorcier a la détérioration des 2 machines en cause par la mise en contact direct des 2 alimentations.
8 Support de l’USB.
Support matériel.
Si la machine est antérieure à 1996 elle ne supporte probablement pas l’USB.
Si elle a été construite entre 1997 et 1998 elle supporte probablement l’USB.
Si elle date d’après 1998 elle supporte certainement l’USB.
Attention : Quelques cartes-mères sont dites supportant l’USB mais ne possèdent pas de connecteurs aux normes USB.
Elles ne supportent certainement pas correctement l’USB au niveau matériel.
La solution la meilleure est d’installer une carte « add-on » USB.
Support Logiciel.
Windows NT ne supportent pas l’USB.
Windows 95 ne supporte pas l’USB.
Windows 98, Windows 98SE, Windows 2000 et Windows Me supportent l’USB.
Linux commence a supporter l’USB.
ATTENTION :
Un périphérique USB ne sera « Plug & Play » qu’après avoir été installé.
Ce qui signifie que pour installer un périphérique USB il faut procéder comme pour les autres périphériques « non Plug & Play ». C’est à dire qu’il faut connecter le périphérique à froid (système hors tension) pour qu’au cours du démarrage de Windows celui-ci le reconnaisse et demande les pilotes pour les installer.
Le périphérique après son installation sera alors « Plug & Play ».
Il faut de toute façon se référer à la documentation du fabriquant pour utiliser la procédure d’installation que celui-ci a déterminé.
Dans le futur, ce point de détail sera certainement réglé.
9 Compatibilité USB 1 et USB2.
L’USB 2 est compatible avec l’USB 1 a la condition de disposer les HUB version 2 en haut de la hiérarchie de raccordement et les HUB version 1 avec uniquement des périphériques version 1 derrière eux.

10 Etat des périphériques.
Voici le tableau résumant les états possibles d’un périphérique USB.
|
Attached |
Powered |
Default |
Address |
Configured |
Suspended |
State |
|
No |
— |
— |
— |
— |
— |
Device is not attached to the |
|
USB. Other attributes are not |
||||||
|
significant. |
||||||
|
Yes |
No |
— |
— |
— |
— |
Device is attached to the USB, |
|
but is not powered. Other |
||||||
|
attributes are not significant. |
||||||
|
Yes |
Yes |
No |
— |
— |
— |
Device is attached to the USB |
|
and powered, but has not been |
||||||
|
reset. |
||||||
|
Yes |
Yes |
Yes |
No |
— |
— |
Device is attached to the USB |
|
and powered and has been |
||||||
|
reset, but has not been assigned |
||||||
|
a unique address. Device |
||||||
|
responds at the default address. |
||||||
|
Yes |
Yes |
Yes |
Yes |
No |
— |
Device is attached to the USB, |
|
powered, has been reset, and a |
||||||
|
unique device address has been |
||||||
|
assigned. Device is not |
||||||
|
configured. |
||||||
|
Yes |
Yes |
Yes |
Yes |
Yes |
No |
Device is attached to the USB, |
|
powered, has been reset, has a |
||||||
|
unique address, is configured, |
||||||
|
and is not suspended. The host |
||||||
|
may now use the function |
||||||
|
provided by the device. |
||||||
|
Yes |
Yes |
— |
— |
— |
Yes |
Device is, at minimum, attached |
|
to the USB and is powered and |
||||||
|
has not seen bus activity for 3 |
||||||
|
ms. It may also have a unique |
||||||
|
address and be configured for |
||||||
|
use. However, because the |
||||||
|
device is suspended, the host |
||||||
|
may not use the device’s |
||||||
|
function. |
11 Reconnaissance des périphériques.
Enumération du bus.
Quand un périphérique USB est raccordé ou débranché du bus USB, le système hôte utilise un processus appelé « énumération » pour identifier et gérer le statut du périphérique dont l’état a changé.
Quand un périphérique est rattaché (et est sous tension pour les auto-alimentés) au bus USB les actions suivantes sont démarrées :
- Le HUB auquel est rattaché le périphérique informe l’hôte de cet événement. A ce moment là le périphérique est dans l’état sous-tension et le port auquel il est rattaché est dévalidé.
- L’hôte détermine la nature du changement en interrogeant le HUB.
- Maintenant que l’hôte connaît le port de rattachement auquel le nouveau périphérique est rattaché, il attend 100 ms pour permettre au processus d’alimentation et d’initialisation de celui-ci de se terminer. Il valide alors le port de rattachement et envoi un « reset » a ce port.
- Le HUB maintient le signal de « reset » sur le port durant 10ms, et quand celui-ci se termine le port est validé. Le périphérique USB est maintenant dans l’état de défaut et ne doit pas utiliser plus de 100 mA sur le bus USB. Tous ses registres sont ré-initialisés et il répond à l’adresse par défaut.
- L’hôte lui assigne une adresse unique et le faisant passer dans l’état adressé.
- Avant que le périphérique reçoive son adresse il est accessible par l’adresse par défaut. L’hôte lit sa description et détermine les besoin en mémoire nécessaire a ce périphérique.
- L’hôte lit toutes les configurations possible du périphérique, ce processus peut durer plusieurs milli-secondes.
- L’hôte choisi une configuration parmi celles disponibles du périphérique. Celui-ci passe dans l’état configuré et toutes les données de configuration sont celle de la configuration choisie. Le périphérique peut maintenant consommer le courant qui lui est nécessaire sur le bus. Il est maintenant prêt a fonctionner.
Quand un périphérique USB est déconnecté, le HUB en envoi la notification à l’hôte. Le port auquel il était attaché est dévalidé. Après avoir reçu la notification de détachement l’hôte actualise ses informations concernant la topologie du bus.